400-666-0005
中文 EN

户外交流高压真空断路器ZW20-12

ZW20-12户外交流高压真空断路器为额定电压12kV、三相交流50Hz的户外配电设备。主要用于开断、关合电力系统中的负荷电流、过载电流及短路电流。适用于变电站及工矿企业配电系统中作保护和控制,更适用于农村电网及频繁操作的场所。

断路器由内装有高压系统及其操动部件的主体箱、操作机构箱和供安装、固定、搬()运用的吊架三部分组成。装有真空灭弧室的断路器开断性能稳定可靠,采用环氧树脂和硅橡胶整体浇注,尤其AC两相的拐角套管,保证良好的外绝缘,具有无燃烧和爆炸危险、安全、体积小、重量轻和使用寿命长等特点。断路器采用全封闭结构,箱内充以SF6气体,密封性能好,有防潮、防凝露性能,适应于高温潮湿地区使用。


  • 使用环境条件

  • 型号及其含义

主要技术参数

图片18.png

产品结构特点
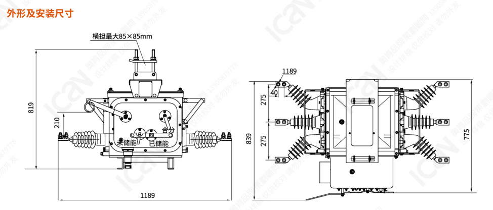
产品结构图

图片19.png

箱式站系统配置图

扫描二维码
关注黄华集团公众号

联系我们

157-5778-2799157-5778-0351